
実績データベース
林道高津線路肩改良工事
- 施工場所
- [石川県] 石川県羽咋郡
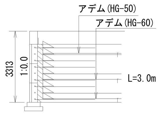
- 最高壁高
- 3.4m
- 壁面積
- 69.14㎡
- 施主
- [市町村] 宝達志水町役場

そのほか石川県のアデムウォール
主要地方道 金沢田鶴浜線 地方道改築工事(柳田地区 補強土壁4工区)
- 施工場所
- 石川県
- 施主
- 都道府県
- 最高壁高
- 8.8m
- 壁面積
- 199.7㎡
5災203号 町道第2031号福浦港巌門線 道路災害復旧工事
- 施工場所
- 石川県
- 施主
- 市町村
- 最高壁高
- 4.9m
- 壁面積
- 49㎡
R5能越道 横地地区道路改良その4工事
- 施工場所
- 石川県
- 施主
- 国土交通省
- 最高壁高
- 5.65m
- 壁面積
- 79.3㎡
町道菩提寺1号線 4号壁
- 施工場所
- 石川県
- 施主
- 市町村
- 最高壁高
- 5.55m
- 壁面積
- 205.2㎡
主要地方道 金沢田鶴浜線 地方道改築工事(柳田地区 補強土壁2工区)
- 施工場所
- 石川県
- 施主
- 都道府県
- 最高壁高
- 8.8m
- 壁面積
- 373.4㎡
高尾川 通常砂防工事(付替道路工その2)
- 施工場所
- 石川県
- 施主
- 都道府県
- 最高壁高
- 8m
- 壁面積
- 90.5㎡
主要地方道 金沢田鶴浜線 地方道改築工事(柳田地区 補強土壁1工区)
- 施工場所
- 石川県
- 施主
- 都道府県
- 最高壁高
- 6.5m
- 壁面積
- 457.2㎡
ホワイトロード災害本復旧業務
- 施工場所
- 石川県
- 施主
- 都道府県
- 最高壁高
- 12.1m
- 壁面積
- 327㎡
二級河川犀川広域河川改修工事(農道取付工その2)
- 施工場所
- 石川県
- 施主
- 都道府県
- 最高壁高
- 3.34m
- 壁面積
- 46.6㎡
R4能越道 横地地区道路改良その2工事
- 施工場所
- 石川県
- 施主
- 国土交通省
- 最高壁高
- 5.65m
- 壁面積
- 40.5㎡
4災179号道路災害復旧工事
- 施工場所
- 石川県
- 施主
- 市町村
- 最高壁高
- 4.95m
- 壁面積
- 119.6㎡
都市計画道路 小立野旭町線 無電柱化推進工事(補強土壁工)
- 施工場所
- 石川県
- 施主
- 都道府県
- 最高壁高
- 10.6m
- 壁面積
- 310.8㎡
R3・4金沢東環 神谷内道路 月浦地区
- 施工場所
- 石川県
- 施主
- 国土交通省
- 最高壁高
- 6.6m
- 壁面積
- 186.66㎡
瀬領・下谷線道路整備工事(土木工事)
- 施工場所
- 石川県
- 施主
- 市町村
- 最高壁高
- 5.75m
- 壁面積
- 29.775㎡
大浦千木町線道路築造工事(大浦町その8)
- 施工場所
- 石川県
- 施主
- 市町村
- 最高壁高
- 2.75m
- 壁面積
- 70.235㎡
主要地方道 金沢田鶴浜線 地方道改築工事(改良8工区)
- 施工場所
- 石川県
- 施主
- 都道府県
- 最高壁高
- 7.5m
- 壁面積
- 54.785㎡
主要地方道 金沢田鶴浜線 地方道改築工事(改良7工区)
- 施工場所
- 石川県
- 施主
- 都道府県
- 最高壁高
- 8.8m
- 壁面積
- 249.11㎡
主要地方道 金沢田鶴浜線 地方道改築工事(改良4工区)
- 施工場所
- 石川県
- 施主
- 都道府県
- 最高壁高
- 5.6m
- 壁面積
- 116.4㎡
主要地方道 金沢美川小松線 地方道改築工事(盛土工その4)
- 施工場所
- 石川県
- 施主
- 都道府県
- 最高壁高
- 4.05m
- 壁面積
- 87.62㎡
大浦千木町線道路築造工事(木越町その7)
- 施工場所
- 石川県
- 施主
- 市町村
- 最高壁高
- 2.7m
- 壁面積
- 383.925㎡
一般国道415号 国道改築工事(改良6工区)
- 施工場所
- 石川県
- 施主
- 都道府県
- 最高壁高
- 4.9m
- 壁面積
- 98.385㎡
R2能越道 洲衛道路その9工事(能登空港ICランプ部)
- 施工場所
- 石川県
- 施主
- 国土交通省
- 最高壁高
- 5.45m
- 壁面積
- 69.64㎡
R2能越道 中道路その13工事
- 施工場所
- 石川県
- 施主
- 国土交通省
- 最高壁高
- 7.4m
- 壁面積
- 23.58㎡
主要地方道 金沢美川小松線 地方道改築工事(盛土工その3)
- 施工場所
- 石川県
- 施主
- 都道府県
- 最高壁高
- 6.4m
- 壁面積
- 71.895㎡
主要地方道 金沢美川小松線 地方道改築工事(盛土工その4)
- 施工場所
- 石川県
- 施主
- 都道府県
- 最高壁高
- 5.85m
- 壁面積
- 61.225㎡
主要地方道 金沢田鶴浜線 地方道改築工事(改良2工区)
- 施工場所
- 石川県
- 施主
- 都道府県
- 最高壁高
- 6.9m
- 壁面積
- 147.295㎡
一般国道249号 国道改築(防災・安全)工事(長井下黒川工区 改良6工区)
- 施工場所
- 石川県
- 施主
- 都道府県
- 最高壁高
- 4.6m
- 壁面積
- 128㎡
金沢外環状道路 海側幹線Ⅳ期 地方道改築工事(改良工その2)
- 施工場所
- 石川県
- 施主
- 都道府県
- 最高壁高
- 5.4m
- 壁面積
- 202.57㎡
卯辰山公園(循環園路)整備工事
- 施工場所
- 石川県
- 施主
- 市町村
- 最高壁高
- 0.9m
- 壁面積
- 16㎡
金沢外環状道路 海側幹線Ⅳ期 地方道改築工事(改良工その11)
- 施工場所
- 石川県
- 施主
- 都道府県
- 最高壁高
- 4m
- 壁面積
- 77㎡
R1・2能越道 洲衛道路その7工事
- 施工場所
- 石川県
- 施主
- 国土交通省
- 最高壁高
- 8.3m
- 壁面積
- 901㎡
R1能越道 小泉道路その18工事
- 施工場所
- 石川県
- 施主
- 国土交通省
- 最高壁高
- 8.2m
- 壁面積
- 164㎡
R1能越道 中道路その10工事
- 施工場所
- 石川県
- 施主
- 国土交通省
- 最高壁高
- 11.4m
- 壁面積
- 184.3㎡
南加賀道路 いしかわ広域交流幹線軸道路整備工事(改良工)
- 施工場所
- 石川県
- 施主
- 都道府県
- 最高壁高
- 9.6m
- 壁面積
- 67㎡
平成30年災第236号 市道徳田167号線災害復旧工事
- 施工場所
- 石川県
- 施主
- 市町村
- 最高壁高
- 7.0m
- 壁面積
- 391㎡
金沢外環状道路 海側幹線Ⅳ期 地方道改築工事(補強土壁工その1)
- 施工場所
- 石川県
- 施主
- 都道府県
- 最高壁高
- 7.0m
- 壁面積
- 95㎡
正連寺産業団地造成工事
- 施工場所
- 石川県
- 施主
- 市町村
- 最高壁高
- 4.9m
- 壁面積
- 210㎡
犀川大通り線道路改良工事
- 施工場所
- 石川県
- 施主
- 市町村
- 最高壁高
- 9.8m
- 壁面積
- 430㎡
高尾川通常砂防工事(堰堤3工区)
- 施工場所
- 石川県
- 施主
- 都道府県
- 最高壁高
- 7.0m
- 壁面積
- 150㎡
一般県道黒川横山線地方道改築工事(改良2工区)
- 施工場所
- 石川県
- 施主
- 都道府県
- 最高壁高
- 9.4m
- 壁面積
- 128㎡
一般国道249号国道改築(防災・安全)工事(擁壁工その1)
- 施工場所
- 石川県
- 施主
- 都道府県
- 最高壁高
- 4.3m
- 壁面積
- 60㎡
一般国道157号交通安全工事
- 施工場所
- 石川県
- 施主
- 都道府県
- 最高壁高
- 2.3m
- 壁面積
- 660㎡
平成26年度広域営農団地農道整備事業能登外浦4期地区中田工区その3道路工事
- 施工場所
- 石川県
- 施主
- 都道府県
- 最高壁高
- 9.0m
- 壁面積
- 327㎡
輪島新火葬場敷地造成工事
- 施工場所
- 石川県
- 施主
- 市町村
- 最高壁高
- 8.0m
- 壁面積
- 228㎡
主要地方道金沢田鶴浜線地方道改築工事(4車線化3工区)
- 施工場所
- 石川県
- 施主
- 都道府県
- 最高壁高
- 4.5m
- 壁面積
- 50㎡
小松バイパス東山道路その3工事
- 施工場所
- 石川県
- 施主
- 国土交通省
- 最高壁高
- 6.0m
- 壁面積
- 134㎡
津幡町立津幡小学校周辺整備工事(進入道路)
- 施工場所
- 石川県
- 施主
- 市町村
- 最高壁高
- 5.0m
- 壁面積
- 216㎡
小松バイパス東山道路その4工事
- 施工場所
- 石川県
- 施主
- 国土交通省
- 最高壁高
- 7.0m
- 壁面積
- 313㎡
内川墓地公園第2期造成工事(墓域第4ブロック整備)
- 施工場所
- 石川県
- 施主
- 市町村
- 最高壁高
- 8.3m
- 壁面積
- 247.6㎡
鈴見新庄線(山側環状線)
- 施工場所
- 石川県
- 施主
- 都道府県
- 最高壁高
- 8.3m
- 壁面積
- 800㎡
H26.27能越道 小泉道路その2工事
- 施工場所
- 石川県
- 施主
- 国土交通省
- 最高壁高
- 9.0m
- 壁面積
- 402㎡
30災203号 主要地方道 七尾能登島公園線 道路災害復旧工事
- 施工場所
- 石川県
- 施主
- 都道府県
- 最高壁高
- 6.8m
- 壁面積
- 175㎡
南加賀道路 県土幹線軸道路整備工事
- 施工場所
- 石川県
- 施主
- 都道府県
- 最高壁高
- 13.3m
- 壁面積
- 578.26㎡
他の「施工場所、最高壁高、施主」を検索し直す場合は、
データベーストップから再度条件を指定してください。